欢迎您访问慈溪裕泰电子有限公司官网!

http://www.yutai-elec.com/data/upload/202004/20200409091636_315.jpg
您当前的位置 : 首 页 > 产品中心 > IC(PHY) Cross Reference
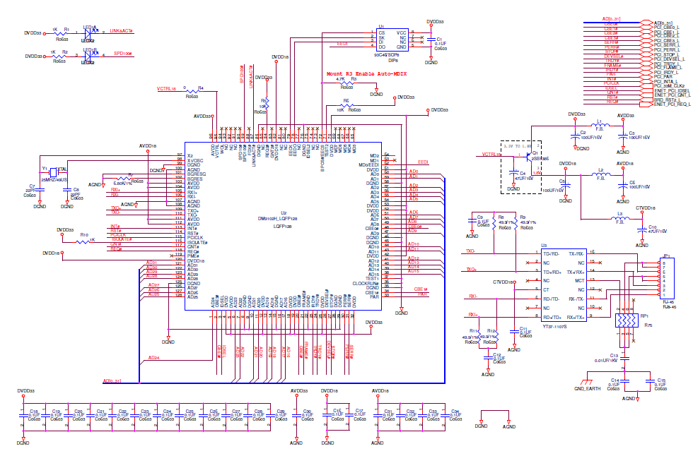
DM9102H

DM9102H

  • 所属分类:IC(PHY) Cross Reference
  • 浏览次数:
  • 发布日期:2020-08-13
  • 产品概述
  • 技术参数

The DM9102H is a fully integrated and cost effective single chip Fast Ethernet NIC controller with PCI interface. It is designed with low power and high performance process. It is a 1.8V/3.3V device with 5V tolerance.

标签

上一篇:RTL8125B2020-08-15
下一篇:CS89522020-08-13

最近浏览:

相关产品

相关新闻

与我们联系

  • 关于我们
  • 联系我们

    电话:0086-574-63620701

             4008-602-086

    地址:浙江省慈溪市观海卫镇东山中路46号

    传真:86-574-63621610

    邮箱:support@yutai-elec.com 

             sales@yutai-elec.com


  •  千兆网络变压器